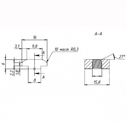
Сухарь пазовый М5 паз 8 профиль 30 20шт
Описание
Сухарь пазовый позволяет крепить к профилю различные дополнительные элементы и конструкции, используя болты и винты с соответствующей резьбой. Сухарь вводится в паз с торцевого профиля. Отличие данных элементов от Т-гаек заключается в их большей площади контакта и большей несущей способности. Количество: 20 шт.
Характеристики
Элементы корпуса 3D-принтера
Сухари пазовые, т-гайки
Вес брутто
0.1 кг
Габариты упаковки
10 x 2 x 10 см (0,0002 м3)
Отзывы

Покупатели, которые приобрели Сухарь пазовый М5 паз 8 профиль 30 20шт, также купили












